NIBT 5.6 - De quoi traite cette partie de la NIBT?
Des alimentations pour services de sécurité.
Exigences générales relatives aux dispositifs pour services de sécurité, choix et mise en oeuvre d’installations électriques de dispositifs et alimentations pour service de sécurité
NIBT 5.6 - Qu’est qu’une installation électrique pour services de sécurité?
Une installation électrique destinée à maintenir la fonction des matériels électriques qui présentent une importance considérable:
NIBT 5.6 - Donner des exemples de dispositifs pour services de sécurité.
NIBT 5.6 - Qu’est ce qu’un service continu? et un servce de veille?
Continu: les lampes de l’éclairage de secours sont ON dès qu’un éclairage général ou de secours est nécessaire
Veille: les lampes de l’éclairage de secours sont ON que si l’alimentation de l’éclairage général est défaillante
NIBT 5.6 qu’est ce qu’un système d’alimentation central sans et avec limitation de puissance?
Sans: fournit l’énergie nécessaire en cas d’urgence sans llimitation de puissance
Avec: idem mais 500W durant 3 heures ou 1500W durant 1 heure
NIBT 5.6 - Qu’est un dispositif pour services de sécurité?
Une installation électrique et ses matériels électriques qui protègent ou avertissent les personnes en cas de danger ou sont nécessaires à l’évacuation d’un site
NIBT 5.6 - Quels sont les deux types d’alimentations électriques pour services de sécurité?
NIBT 5.6 - Quelle est la classification des alimentations automatiques en fonction du temps de commutation?
NIBT 5.6 - Quels peuvent être les moyens de satisfaire des exigences de maintient de fonction même en en cas de défaillance de l’alimentation principale et local et d’incendie?
NIBT 5.6 - Que faire si la mesure de protection “coupure automatique de l’alimentation” est appliquée en tant que protection contre les chocs électriques?
Dans les systèmes IT, il est nécessaire de prévoir des CPI qui émettent des signaux visuels et sonore en cas de premier défaut
NIBT 5.6 - Que doit-il se passer en cas de perturbation dans le système de commande ou de bus de l’installation?
Cela ne doit pas nuire au fonctionnement des dispositifs pour services de sécurité.
NIBT 5.6 - Quelles sont les sources de courant admises pour les services de sécurité?
NIBT 5.6 - Où et comment doit être installée une source de courant pour services de sécurité?
L’état de la source de courant (opérationnel, perturbation, source pour services de sécurité en fonction) doit être affichée
NIBT 5.6 - Quelle est la durée minimale de service d’un éclairage se sécurité?
60 minutes
Les autorités compétentes ou l’exploitant du bâtiment peut exiger une durée supérieure.
NIBT 5.6 - Quelle exigence pose l’AEAI quant à l’installation des dispositifs de couplage et les cs dea alimentations pour services de sécurité?
Ils doivent être complètement séparés des autres circuits EI60 (non combustible)
NIBT 5.6 - Quels sont les types de luminaires de sécurité?
NIBT 5.6 - Qu’est ce qu’un luminaire de sécurité portatif?
Luminaire de secours avec accumulateur, chargeur et relais à tension nulle incorporés
Uniquement admis pour l’éclairage de secours des locaux desservis exclusisvement par du personnel d’exploitation
NIBT 5.6 - Qu’est ce qu’un luminaire autonome à poste fixe?
Luminaire autonome pour la signalisation des chemins de fuite et des sorties de secours.
1 Alimentation réseau
4 interrupteur pour l’éclairage
5 Éclairage normal
6 Luminaire pour sortie de secours (avec batterie d’accumulateurs)
7 Éclairage de secours (avec batterie d’accumulateurs)

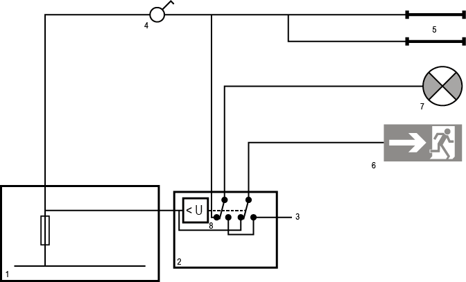
NIBT 5.6 - Qu’est ce qu’un luminaire de secours fixe en couplage d’attente?
Alimentation centrale ou par groupe, avec accumulateur, redresseur, onduleur et relais à tension nulle.
Les lignes ne doivent pas suivre le même parcours que celles de l’alimentation normale.
1 Alimentation réseau
2 Unité de commutation
3 Alimentation de sécurité
4 interrupteur pour l’éclairage
5 Éclairage normal
6 Luminaire pour sortie de secours (avec batterie d’accumulateurs)
7 Éclairage de secours (avec batterie d’accumulateurs)
8 Relais d’enclenchement à tension nulle

NIBT 5.6 - Qu’est ce qu’un luminaire de secours fixe en couplage d’attente et avec possibilité de couplages supplémentaires?
Alimentation centrale ou par groupe, avec accumulateur, redresseur, onduleur et relais à tension nulle.
Les lignes ne doivent pas suivre le même parcours que celles de l’alimentation normale.
1 Alimentation réseau
2 Unité de commutation
3 Alimentation de sécurité
4 interrupteur pour l’éclairage
5 Éclairage normal
6 Luminaire pour sortie de secours (avec batterie d’accumulateurs)
7 Éclairage de secours (avec batterie d’accumulateurs)
8 Relais d’enclenchement à tension nulle

NIBT 5.6 - Qu’est ce qu’un luminaire de secours fixe couplé en permanence au réseau et avec commutation utomatique?
Alimentation centrale ou par groupe, avec accumulateur, redresseur, onduleur et relais à tension nulle.
???
NIBT 5.6 - Quelles sont les exigences particulières relatives aux sources de courant pour services de sécurité non appropriées à un fonctionnement en parallèle?
NIBT 5.6 - Quelles sont les exigences particulières relatives aux sources de courant pour services de sécurité appropriées à un fonctionnement en parallèle?
NIBT 5.6 - Quelles sont les exigences quant aux batteries d’un système d’alimentation centrale?
Elles doivent être intégrées sans nécessiter d’entretien important dans un type de construction fermé ou scellé et doivent répondre aux standards de fabrication industrielle robuste
Durée de vie assignée à T° = 20°C devrait être >= 10 ans