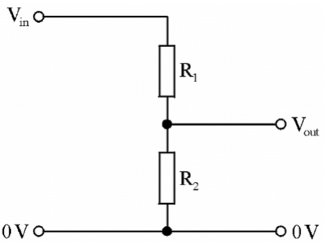
What are the properties of a potential divider circuit?

What is output voltage?
The output voltage is a fixed proportion of the of the supply voltage.
V out Eq.

When R2 is much larger than R1

V out ≈ Vin
When R2 is much less than R1

V out ≈ 0
Threshold voltage
Resistors in parallel
Resistors can be arranged in parallel and this will decrease the total resistance.
Eq. for resistors in parallel

Resistance of light-dependent resistor
The resistance of a LDR decreases as the light intensity increases.
Resistance of thermistor
The resistance of a thermistor decreases as the temperature increases.
How are potential divider circuits used?
